Voice recorderplayback circuit Circuit Diagram I show You how to build audio recorder with this simple DIY circuit and easy-to-follow tutorial.Learn how to make an electronic circuit that simple way and g Fig. 1: Circuit of voice recorder and playback system Circuit and working. Fig. 1 shows the circuit of voice recorder and playback system. The circuit is built around voice recording and playback IC APR9301-V2 (IC1), voltage regulator 7806 (IC2), npn transistor BC547 (T1), 8-ohm, 0.5W speaker (LS1), electret microphone (MIC1) and a few other Fig. 1: Image of a Voice recorder Circuit. With this circuit, you can record your voice and play back the same for 20 seconds. The voice recorder circuit is ideal for door phones, automatic answering devices etc. APR 9301 is used in the circuit which is a data storage and retrieval IC without any micro controller programming.

Planning to buy a small voice recorder to record voices or sounds in an environment and store them in its memory?Think again! You can easily build your own voice recorder by following a few simple steps. This project focuses on building an Arduino Based Voice Recorder, which can also be abused as a spy bug.Our spy bug uses a small microphone to record the voice and it stores the recorded voice The proposed circuit of a programmable single chip voice recorder/player utilizes the IC APR9600 as the main processor of the circuit. It's a 28 pin IC which can be very easily and quickly configured for getting the required results by adding a handful of common passive electronic components.
![[DIAGRAM] Voice Recorder Circuit Diagram](http://www.seekic.com/uploadfile/ic-circuit/20114207210100.gif)
Simple Voice Recorder and Playback Circuit Circuit Diagram
A Voice Recorder and Playback Circuit is an electronic system designed to capture and store audio messages for later playback. This type of circuit is commonly used in various applications such as voice messaging systems, doorbells, announcements and other scenarios where the recording and playback of short audio messages are required.
![[DIAGRAM] Voice Recorder Diagram Circuit Diagram](https://www.hobbyprojects.com/block_diagrams/images/taperec.gif)
Voice Recorder with 10 seconds Recording Time: This reference design implements a solid state voice recorder using MSP430F149 microcontroller to convert the analog voice pattern to digital with its integrated 12-bit analog-to-digital converter. The voice data is stored real-time in the MCU Flash memory and played back. As a result, voice or audio data are saved straight to the memory space in their organic form with virtually no compressions as done in digital technique, offering top quality, solid-state audio duplication. The circuit offers excellent audio recording using straightforward procedures.
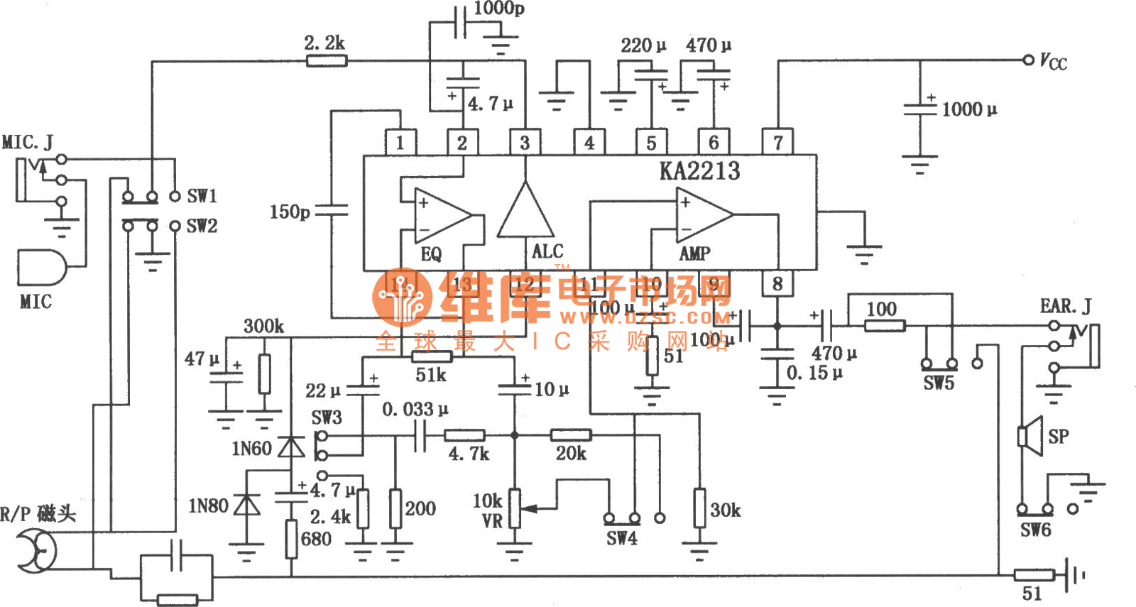
![[DIAGRAM] Voice Recorder Circuit Diagram](http://www.seekic.com/uploadfile/ic-circuit/2012912205655997.jpg)
Voice Recording and Play Back Circuit using APR9600 Circuit Diagram
The circuit of voice recording and playback is build around chip APR9600 (IC 1). The recordable sound is changed to voice signal using microphone and given to IC 1 through differential amplifier. This signal is further amplifier by inbuilt pre-amplifier and by connecting pin 21 to pin 20 via an external DC locking capacitor C 1 . The circuit contains a microphone amplifier and a speaker amplifier. We can say it's a digital voice recorder. S1 switch is for recording / play-back ( recording in ON position ). When S2 is OFF the IC goes in power down mode. S3 starts the recording or play-back and must be a push-button. For more voice recorder circuits check the list bellow.